- Sie haben noch keine Artikel in Ihrem Warenkorb.
Startseite » Steuerungen » für Wintergarten » Warema / Wintergartensteuerung » Warema climatronic » climatronic Zentralen » Warema climatronic Bediengerät 3.0
Warema climatronic Bediengerät 3.0
neu Warema climatronic 3.0 jetzt optional mit climatronic WebControl
Mit dem WAREMA climatronic WebControl können unterschiedliche Geräte wie Sonnenschutzprodukte, Beleuchtungs-, Heiz-, Kühl- und Lüftungseinrichtungen und Fensterantriebe über die Kanäle Ihrer vorhandenen WAREMA climatronic 3.0 angesteuert werden.
WebControl nur mit der climatronic 3.0 möglich. Ein Upgrade von climatronic 2.0 auf climatronic 3.0 ist gegen Gebühr möglich (Preis auf Anfrage).
Schaltaktoren bleiben unberührt, sind auch weiterhin kompatibel wie bei der Warema climatronic 2.0
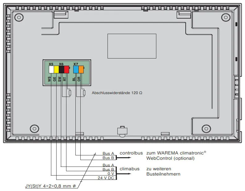
WebControl entweder über USB oder controlbus anschließbar (Auswahl im Bediengerät, umschaltbar)


Die WAREMA climatronic 3.0 ist eine Sonnenschutzsteuerung basierend auf dem eigenständigen Bussystem WAREMA Climabus. Die Zentrale wurde für die verschiedensten Anforderungen in einem Gebäude entwickelt und ist in der Lage, neben den Sonnenschutzprodukten auch Lampen, Lüfter, Fenster und Heiz- bzw. Kühlsysteme anzusteuern. Bei Lampen besteht optional die Möglichkeit das Kunstlicht neben dem Schalten auch zu dimmen. Ebenso können Lüftersysteme in Stufen sowie auch stufenlos gesteuert werden. Die WAREMA climatronic 3.0 kann mit 64 möglichen Steuerkanälen bis zu 7200 Verbraucher über verschiedene Schaltaktoren ansteuern. Somit ist die WAREMA climatronic 3.0 auch die optimale Steuerung für größere Objekte, da jeder Motorabgang der Mehrfach-Schaltaktoren den einzelnen Steuerkanälen individuell zugewiesen werden kann. So kann in der Planung einfach von der Anzahl der anzusteuernden Verbraucher ausgegangen werden. Eine spätere Aufteilung nach Gruppen erfolgt durch die Parametrierung am Bediengerät oder PC. Im Lieferumfang der climaotronic ist die Bediensoftware WAREMA climatronic studio enthalten. Zur einfachen Inbetriebnahme steht sowohl am Bediengerät als auch in der PC-Software ein Inbetriebnahmeassistent zur Verfügung.
Die Sonnenschutzzentrale climatronic 3.0 mit großem 5,7" Farbdisplay. Die Bedienung der Zentrale erfolgt über berührungsempfindliche Glassensortasten und einem Multifunktionsdrehrad zur Menüauswahl. Die Sonnenschutzzentrale verfügt über vorkonfigurierte Steuerungsprogramme für Sonnenschutz, Lüfter, Fenster und Beleuchtung. Lüfter sind in Stufen und stufenlos ansteuerbar und die Beleuchtung kann gedimmt werden. Die Sonnenschutzzentrale verfügt über 64 Steuerkanäle. Mit dem Gesamtsystem lassen sich 7200 Antriebe bzw. 14400 Verbraucher (Ein/Aus) ansteuern. Für jeden Steuerkanal können alle Einstellungen individuell vorgenommen werden und die Messwertgeber für Wetterdaten werden den einzelnen Kanälen frei zugeordnet. Die Kanäle können beliebigen Gruppen zusammengefasst und Ihren Wünschen in bis zu 16 Szenarien konfiguriert werden, die dann per Tastendruck abgerufen werden. Für alle Kanäle, Szenen und Gruppen können beliebige Namen vergeben werden. Für jeden Kanal stehen GLT-Eingänge zur Verfügung. Automatische Datum- und Zeiteinstellung über DCF-77 Empfänger der climatronic Wetterstation.
Kanäle können getrennt nach Sommer- und Winterprogramm unterschiedlich automatisiert werden, dadurch werden 2 Kanäle belegt. Die örtliche Bedienung pro Kanal kann vor Ort gesperrt werden. Die Bedienlogik der an den Aktoren angeschlossenen Taster wird im Bediengerät durch Auswahl des Produktes richtig eingestellt und kann jederzeit verändert werden. Optional sind durch Anschluss von Tableau Interfaces bis zu 144 zusätzliche Eingänge möglich.
Die Kommunikation zwischen der Zentrale, den Schaltaktoren und der Wetterstation erfolgt über den WAREMA climabus. Die Zentrale kann auch wahlweise als KNX-Zentrale funktionieren. Gemischte Systeme sind nicht möglich.
Die Erfassung der Wetterdaten erfolgt mittels kompakter Wetterstationen ohne mechanisch bewegliche Teile oder optional über Sensor-Interfaces und Anschluss konventioneller Einzelsensoren. Die Wetterstation ist für Wand-, Decken- und Rohrmontage geeignet. Im Bediengerät ist ein Innentemperatur - und Luftfeuchtesensor integriert. Mit geeigneten Wettersensoren können Wetterdaten jeweils an bis zu 12 verschiedenen Messstellen für Wind und Sonne erfasst werden. Im Bediengerät wird eine Historie der Wetterdaten angezeigt. Sicherheitsrelevante Wetterdaten, wie z.B. Wind oder Niederschlag, werden sekündlich ins Netz übertragen und ausgewertet.
An den Schaltaktoren können 230 VAC - und 24 VDC - Antriebe jeweils mit oder ohne Inkrementalgeber, sowie SMI-Antriebe und Raffstoren mit vivamatic angeschlossen werden.
Die Parametrierung der Sonnenschutzzentrale kann sowohl über das Bedienteil als auch über einen PC erfolgen. Mit der Software WAREMA climatronic studio erfolgt die Programmierung am PC offline oder auch online. Mit der im Lieferumfang enthaltenen SD-Speicherkarte können alle Parameter zwischen Bedienteil und dem PC ausgetauscht werden. Ebenso ist das Nachladen von Sprachfiles über die SD-Speicherkarte möglich, welche auf der Speicherkarte bereitgestellt sind. Eine separate Version mit japanischem Schriftsatz steht zur Auswahl. Bei Veränderungen von Einstellwerten durch den Nutzer ist eine Funktion in der Sonnenschutzzentrale integriert, welche alle Einstellungen vom Tag der Inbetriebnahme auf einen Tastendruck wiederherstellt. Sicherheitsrelevante Daten werden mit einem änderbaren Passwort in der Zentrale geschützt.
Die Inbetriebnahme und der Datenaustausch kann auch über eine USB Verbindung online durchgeführt werden können. Im Onlinemodus kann zusätzlich die gesamte Sonnenschutzsteuerung vom PC aus bedient werden. In die Bediensoftware können Bilder bzw. Grundrisspläne als JPG-Format eingelesen werden. Das Bedienteil als auch die Software verfügen über einen Inbetriebnahmeassistenten, der eine zielgerichtete und einfache Inbetriebnahme der gesamten Steuerung ermöglicht. Per Software WAREMA climatronic studio lassen sich die Parameter in eine Textdatei zum Ausdrucken ausgeben, Grundeinstellungen von Produkten können kopiert werden sowie markierte Produkte gleichzeitig geändert werden. Eine automatische Zuweisung der Produkte auf die Schaltaktoren kann durch die PC-Software realisierbar werden.
Die Steuerkanäle können über das Bedienteil manuell bedient und auf frei wählbare Positionen zwischen 0 und 100 % der Laufzeit bzw. der Lüfter- oder Beleuchtungsintensität eingestellt werden. Bei Raffstoren kann eine Lamellennachführung nach dem Sonnenstand pro Kanal programmiert werden. Diese wird über Datum, Uhrzeit und der geografischen Lage des Gebäudes automatisch errechnet. Die geografische Lage kann am Bediengerät einstellbar werden. Ein integrierter Funkempfänger ermöglicht die Bedienung der Kanäle, Gruppen und Szenen über geeignete WAREMA EWFS Hand- oder Wandsender. Mit der integrierten Abwesenheits- und Urlaubsfunktion kann auf einen Tastendruck an der Zentrale oder einem voreingestellten Urlaubszeitraum beliebige Komfortfunktionen je Steuerkanal unterschiedlich eingestellt werden.
Einzelne Produkte kann man mit der Software WAREMA climatronic studio zur Identifizierung „Winken“ lassen, d. h. ein kurzer Befehl „Winken“ an einen Verbraucher, z. B. einer Leuchte lässt das Licht kurz aufleuchten. Fehlermeldungen bzw. Auslöser für bspw. Fahrbewegungen sind im Bediengerät ablesbar.
Die einfache Leitungslänge des Gesamtsystems beträgt 1200 m. Mittels Repeater oder HUB muss diese Länge auf bis zu 3600 m erweiterbar sein.
Produktmerkmale
- ein Bediengerät pro WAREMA climatronic System erforderlich
- drei Farbvarianten
- Verwaltung von bis zu 64 Kanälen pro WAREMA climatronic System
- Steuerung von bis zu 1.200 Aktoren (max. 7.200 Verbraucher)
- Bedienung der angeschlossenen Verbraucher einzeln oder in Gruppen möglich
- bis zu 16 Szenen einstellbar
- integrierter Temperatur- und Luftfeuchtesensor
- Anschluss zweier weiterer Messwertgeber für Innentemperatur/Luftfeuchte möglich
- Historie wichtiger Ereignisse, die z. B. für die Auslösung eines Fahrbefehls an den Sonnenschutz verantwortlich waren sowie der Wetterdaten
- Schalten und Dimmen von Beleuchtungen
- Automatikfunktionen sind je Kanal aktivier-/deaktivierbar
- wichtige Sicherheitsfunktionen (z. B. Wind) sind passwortgeschützt
- vier Sensortasten, Funktionsrad und selbsterklärende Menüführung
- Klartextanzeige für Ereignisse und Wetterdaten auf einem großen grafischen 5,7“-TFT-Display mit Beleuchtung
- Inbetriebnahme und Einstellungen am Bediengerät oder mittels WAREMA climatronic studio Software
- freie Vergabe von Kanal-, Gruppen und Szenenamen
- USB-Schnittstelle zur Verbindung mit einem PC
- Einstellungen können auf SD-Karte gespeichert werden bzw. mittels PC veränderte Einstellungen zurückübertragen werden
- optional: Bedienung per Funk durch EWFS Hand- oder Wandsender
- mit Hilfe des KNX Gateways wird dieses Bediengerät zur WAREMA climatronic KNX Zentrale
- Hinweis: externes Netzteil erforderlich (je nach Systemgröße sind ein oder mehr Netzteile erforderlich)
Mit einer über den Climabus verbundenen Wetterstation können folgende Funktionen pro Steuerkanal ausgeführt werden:
- Windüberwachung
- Auswertung der Windrichtung
- Niederschlagsüberwachung
- Eisüberwachung
- Zeitschaltuhr
- Automatikfreigabeuhr
- Wendeautomatik bei Lamellenprodukten
- Sonnenautomatik
- Dämmerungsautomatik
- Temperaturautomatik (Innen und Außen)
- Differenztemperaturautomatik
- Luftfeuchteautomatik
- Intervalllüftung
Technische Daten
- Betriebsspannung: 24 V DC
- Ansteuerung: Climabus
- Sendefrequenz: 433,92 MHz
- Schutzart: IP 30
- Schutzklasse: III
- Montage: Aufputz
- Abmessungen: 245 × 160 × 30 mm
- Messbereich:
- Innentemperatur: 0 - +50 °C
- Luftfeuchte: 10 - 85 % rel. Luftfeuchtigkeit
Neu: climatronic WebControl

Funktionsprinzip
Lieferumfang
- 1 x Warema climatronic 3.0 Bediengerät schwarz (Art. Nr.: 2009375); silber (Art. Nr.: 2009374); schwarz/silber (Art. Nr.: 2009373) (Hinweis: Netzteil erforderlich)
- 1 x USB-Kabel
- 1 x WAREMA climatronic studio Programmier- und Parametriersoftware
- 1 x Bedienungs- und Installationsanleitung
Hans-Wilhelm-Renkhoff-Straße 2
D-97828 Marktheidenfeld
Telefon: 09391 / 20-0
Telefax: 09391 / 20-42 99
www.warema.de
E-Mail: info@warema.de
Sicherheitshinweise zu diesem Produkt finden Sie in der Bedienungsanleitung im Reiter "Dokumente / Downloads" im jeweiligen Produkt.
| Produktmerkmale |
|---|
Windüberwachung ♦ Auswertung der Windrichtung ♦ Niederschlagsüberwachung ♦ Eisüberwachung ♦ Zeitschaltuhr ♦ Automatikfreigabeuhr ♦ Wendeautomatik bei Lamellenprodukten ♦ Sonnenautomatik ♦ Dämmerungsautomatik ♦ Temperaturautomatik (Innen und Außen) ♦ Differenztemperaturautomatik Luftfeuchteautomatik ♦ Intervalllüftung |
Funktionsprinzip Warema climatronic mit Schaltaktoren

Funktionsprinzip Warema climatronic mit Schaltaktoren und MWG Innentemperatur/Luftfeuchte

| Technische Daten / climatronic 3.0 | |
|---|---|
| Betriebsspannung: | 24 V DC |
| Ansteuerung: | climabus |
| Sendefrequenz: | 433,92 MHz |
| Schutzart: | IP 30 |
| Montage: | Aufputz |
| Abmessungen: | 245 x 160 x 30 mm |
| Art. Nr.: Farbe schwarz | 2009375 |
| Art. Nr.: Farbe silber | 2009374 |
| Art. Nr.: Farbe schwarz/silber | 2009373 |
| Technische Daten / Wetterstation climatronic | |
|---|---|
| Betriebsspannung: | 24 V DC |
| Ansteuerung: | climabus |
| Schutzart: | IP 43 |
| Schutzklasser: | III |
| Montage: | Wand-, Decken-, Rohrmontage |
| Abmessungen (BxHxT): | 84 x 140 x 160 mm |
| Messbereich: | |
| Photo: | 0 - 100 klx |
| Photo Erfassungswinkel: | 360° |
| Dämmerung: | 0 - 500 lx |
| Wind: | 0 - 25 m/s |
| Windrichtung: | 0 - 360° |
| Niederschlagüberwachung: | integriert |
| Zeit: | DCF77 |
| Außentemperatur: | -30 bis +60 °C |
Anschlussplan
Schaltnetzteil 24 V DC 2,5 A ► optional wählbar
Aufputz | REG-Verteilereinbau

climatronic Wetterstation ► optional wählbar

climatronic WebControl ► optional wählbar

Schaltaktoren ► hier seperat bestellbar

EWFS Handsender 8-Kanal ► hier seperat bestellbar

UP-Montagegehäuse ► hier seperat bestellbar
1 x Warema climatronic 3.0 (Farbe und Ausstattung nach Wahl)
1 x USB-Kabel
1 x SD Speicherkarte
1 x Warema climatronic studio Programmier- und Parametriersoftware
1 x Bedienungsanleitung
1 x USB-Kabel
1 x SD Speicherkarte
1 x Warema climatronic studio Programmier- und Parametriersoftware
1 x Bedienungsanleitung

