- Sie haben noch keine Artikel in Ihrem Warenkorb.
Startseite » Steuerungen » für Rollladen » Warema / Rollladensteuerung » Warema Funksystem | WMS » Warema WMS Sender UP
Warema WMS Sender UP
Warema WMS Sender | Wandelt Tastimpulse konventioneller 230 V-Taster in WMS Funksignale um | Kompakte Bauweise ermöglicht Montage in einer Unterputzdose |
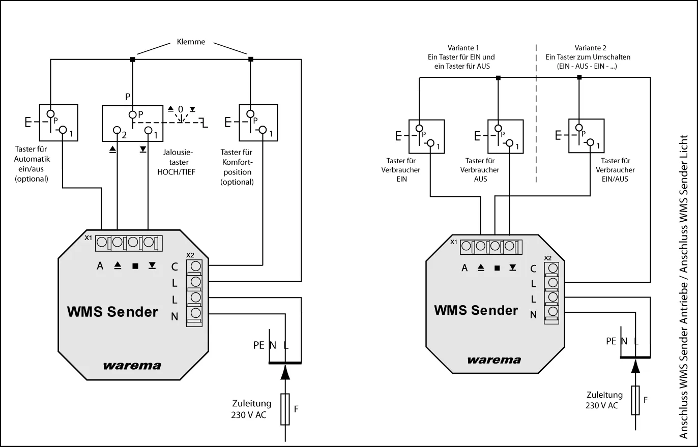
Der WAREMA Mobile System (WMS) Sender kann die Tastimpulse konventioneller 230 V-Taster erfassen. Er wandelt diese in WMS Signale zur Fernsteuerung von WAREMA WMS Empfängern um. Die kompakte Bauform ermöglicht die Unterputzmontage in tiefen 60 mm Gerätedosen. Der WMS Sender unterstützt 5 verschiedene Produkttypen. Er hat einen Kanal, in den maximal 10 Empfänger vom gleichen Produkttyp eingelernt werden können. Der WMS Sender kann durch Anschluss zusätzlicher Taster auch die Komfortautomatiken der eingelernten Produkte ein- und ausschalten oder eine Komfortposition anfahren. Ob Neubau, Nachrüstung oder Renovierung - der WMS Sender eignet sich für jeden Anwendungsfall.
Produktmerkmale
- Steuerung von bis zu 10 Empfängern des gleichen Verbrauchertyps (Sonnenschutz, Beleuchtungseinrichtungen oder Fenster)
- wandelt die Tastimpulse eines konventionellen 230 V-Tasters in WMS Signale zur Fernsteuerung von WMS Empfängern um
- gleichzeitiges Drücken von Hoch und Tief schaltet die Automatik ein bzw. aus. Signalisierung erfolgt akustisch
- durch Anschluss eines zusätzlichen Tasters können Automatikfunktionen der eingelernten Produkte ein- und ausgeschaltet werden bzw. Komfortpositionen angefahren werden
- kompakte Bauweise ermöglicht Montage in einer Unterputzdose
- Inbetriebnahme über WMS Handsender, WMS Zentrale oder komfortabel über die WMS Studio Software
Technische Daten
| Betriebsspannung: | | 85 - 265 V AC / 50 - 60 Hz |
|---|---|
| Ausgang: | | Funksignal |
| Sendefrequenz: | | 2,4 GHz |
| Kanäle: | | 1 |
| Schutzart: | | IP 20 |
| Abmessungen (HxBxT): | | 49 x 49 x 32 mm |
| Downloads: | | WMS-Aplikationsbroschüre |
Funktionsprinzip

Anschluss

Lieferumfang
- 1 x Warema WMS Sender UP Art. Nr.: 1002882
- 1 x Bedienungsanleitung
Hans-Wilhelm-Renkhoff-Straße 2
D-97828 Marktheidenfeld
Telefon: 09391 / 20-0
Telefax: 09391 / 20-42 99
www.warema.de
E-Mail: info@warema.de
Sicherheitshinweise zu diesem Produkt finden Sie in der Bedienungsanleitung im Reiter "Dokumente / Downloads" im jeweiligen Produkt.
| Produkt | |
|---|---|
| Betriebsspannung: | 85 - 265 V AC / 50 - 60 Hz |
| Ausgang: | Funksignal |
| Sendefrequenz: | 2,4 GHz |
| Anzahl Kanäle: | 1 |
| Schutzart: | IP 20 |
| Schutzklasse: | II |
| Montage: | Unterputz |
| Abmessungen: | 49 x 49 x 32 mm |
1 x Warema WMS Sender UP Art. Nr.: 1002882
1 x Bedienungsanleitung
1 x Bedienungsanleitung