- Sie haben noch keine Artikel in Ihrem Warenkorb.
Startseite » Steuerungen » für Markisen » Warema / Markisensteuerung » Zentralsteuerungssysteme » Warema Minitronic dialog
Warema Minitronic dialog
Warema Minitronic dialog | 1-Kanal-Steuerung | Geeignet für Rollladen, Markisen und Jalousien/Raffstore | Bedienung mit EWFS Hand- und Wandsender durch integrierter EWFS Funkempfänger möglich |
Die Warema Minitronic dialog ist eine Sonnenschutzsteuerung, speziell zur Ansteuerung von Markisen oder Raffstore. Die Minitronic dialog schützt Ihren Sonnenschutz vor schädlichen Witterungseinflüssen und bietet umfangreiche Komfortfunktionen. Sie können Ihren Sonnenschutz entweder von Hand bedienen oder die Bedienung gänzlich der Automatik überlassen.
Funktionsbeschreibung
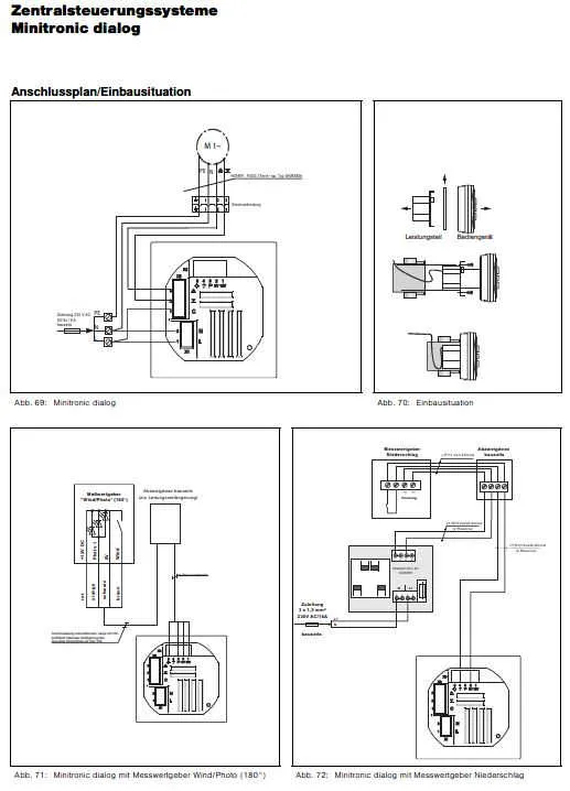
Durch die Minitronic dialog wird Ihr Sonnenschutz witterungsabhängig gesteuert. Um Ihnen diese Komfortfunktionen zu bieten, können an die Minitronic dialog verschiedene Messwertgeber angeschlossen werden. Sonneneinstrahlung (180°) und Windgeschwindigkeit werden von einem kombinierten Messwertgeber ermittelt und an die Steuerung übertragen. Niederschlag in Form von Regen wird von einem Messwertgeber „Niederschlag“ (Zubehör) erkannt und an die Minitronic dialog übertragen. Die gemessenen Werte werden mit den vom Bediener eingestellten Werten verglichen und ausgewertet.
Über die in die Frontplatte integrierten Tasten wird der Sonnenschutz manuell bedient. Optional ist die Fernbedienung über einen EWFS Handsender (Zubehör) möglich.
Werden an der Minitronic dialog Lamellenprodukte betrieben, so wendet sie die Lamellen nach einer Tieffahrt auf den eingestellten Winkel. Bei Anschluss von Rollläden kann diese Funktion verwendet werden, um diese nach einer Tieffahrt auf Lichtschlitz zu fahren.
- Handbedienung:
Mit den Tasten auf der Frontplatte oder auf dem EWFS Handsender kann der Sonnenschutz von Hand ein- oder ausgefahren werden. Durch einen kurzen Tastendruck in die entsprechende Richtung kann ein angeschlossenes Lamellenprodukt gewendet werden. - Für die Handbedienung kann die Bedienlogik eingestellt werden:
Permanentlogik (PL) für Markisen und Rollläden
Funk-Zeitlogik (FZL) für Lamellenprodukte wie Raffstore - Komfortfunktion Sonnenautomatik:
Diese Funktion fährt den Sonnenschutz bei intensiver Sonneneinstrahlung aus. Der Grenzwert ist individuell einstellbar. Die Komfortfunktion Sonnenautomatik ist ohne Umwege über einen Tastendruck abschaltbar. - Sicherheitsfunktion Niederschlagsüberwachung:
An die Minitronic dialog kann ein Messwertgeber zur Niederschlagsmeldung angeschlossen werden (Zubehör). Bei einsetzendem Niederschlag wird der Sonnenschutz dann automatisch eingefahren. Eine Sicherheitsfunktion verhindert, dass der Sonnenschutz von Hand ausgefahren werden kann.
Die Sicherheitsfunktion Niederschlagsüberwachung ist abschaltbar. - Sicherheitsfunktion Windüberwachung:
Bei zu starkem Wind wird der Sonnenschutz automatisch eingefahren. Eine Sicherheitsfunktion verhindert, dass der Sonnenschutz von Hand ausgefahren werden kann.
Der Windgrenzwert ist einstellbar.
Die Sicherheitsfunktion Windüberwachung ist nicht abschaltbar.
Produktmerkmale
- 1 potentialfreier Ausgang (erweiterbar durch Anschluss von Motorsteuereinheiten)
- Funkzeitlogik zur Ansteuerung von Lamellenprodukten
- Permanentlogik zur Ansteuerung von Stoffprodukten und Rollladen
- Funktion Lamellenwendung ermöglicht, dass Lamellenprodukte nach der Tieffahrt auf den eingestellten Winkel wenden / Rollladen können nach der Tieffahrt auf Lichtschlitz fahren
- Steuerung des Sonnenschutzes nach – Helligkeit – Windgeschwindigkeit – Niederschlag
- Bedienung per EWFS Hand- oder Wandsender möglich (optional erhältlich)
- kompakte Bauweise ermöglicht Montage in einer Unterputzdose
Technische Daten
| Betriebsspannung: | | 230 V AC |
|---|---|
| Ausgang: | | potenzialfrei |
| Schutzart: | | IP 30 |
| Farbe: | | Silber |
| Montage: | | Unterputz in Schalterdose |
| Empfangsfrequenz: | | 433,92 MHz |
| Abmessungen (BxHxT): | | 80 x 80 x 51 mm |
Funktionsprinzip

Produktabmessungen

Montage
Die Minitronic dialog wird in einer tiefen UP-Schalterdose installiert. Für Aufputzmontage steht ein AP-Gehäuse im abgestimmten Design zur Verfügung.

Lieferumfang
1 x Warema Minitronic dialog (Art. Nr.: 1002222) ohne Messwertgeber
1 x Bedienungsanleitung
Hans-Wilhelm-Renkhoff-Straße 2
D-97828 Marktheidenfeld
Telefon: 09391 / 20-0
Telefax: 09391 / 20-42 99
www.warema.de
E-Mail: info@warema.de
Sicherheitshinweise zu diesem Produkt finden Sie in der Bedienungsanleitung im Reiter "Dokumente / Downloads" im jeweiligen Produkt.
| Technische Daten | |
|---|---|
| Betriebsspannung: | 230 V AC |
| Ausgang: | 1 x potentialfrei, max. 700 VA bei 230 V AC |
| Logikverhalten: | PL / FZL |
| Laufzeit hoch/tief: | einstellbar |
| Kanäle: | 1 |
| Empfangsfrequenz: | 433,92 MHz (EWFS) |
| Schutzart: | IP 30 |
| Montage: | Unterputz in Schalterdose |
| Abmessungen (HxBxT): | 80 x 80 x 56 mm |
1 x Warema Minitronic dialog (ohne Messwertgeber)
1 x Bedienungsanleitung
1 x Bedienungsanleitung
